
Miniature Bearings Australia
GB-51A-M1-12-040-A - Datasheet
MBA
Category Information
Gears - Bevel - Module 1 PlasticModule 1 Plastic Bevel Gears. For 90 Degree angle power transfer. Ratios exceeding 1 to 1.
- An expanded range may be available on special order. Please enquire.
- 20 Degree Pressure Angle.
- Do not mix gears from different sets.
- See Gears - Mitre for 1 to 1 ratios.
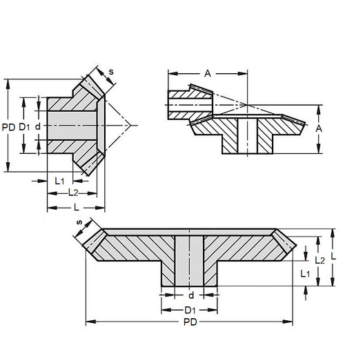
Product Data
- Ratio : 5 to 1
- Comment Small Gear Only
- Matching Gear to Complete Set GB-51A-M1-60-100-A
- Teeth 12 No.
- Bore (d) 4.000 / Plain Hub mm
- Pitch Diameter (PD) 12.00 mm
- Face Width (S) 9.50 mm
- Overall Width (L) 20.30 mm
- Hub Diameter (D1) 23.40 mm
- Mounting Distance (A) 40.50 mm
- Hub Length (l1) 10.00 mm
- Material Acetal
Product Compliance and Data
Additional Resources
Cross References
- A1M3MYZ1012


