
Miniature Bearings Australia
PLIT-060-127C-25-LSH-C - Datasheet
MBA
Category Information
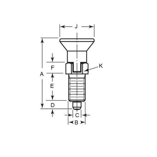
Plungers - Indexing - Locking - With Shoulder - SteelSteel With Shoulder Locking Indexing Plungers. Used to prevent change in locking position due to shearing force. Spring loaded for use in fastening, locating and indexing on equipment, tooling and other applications.
- Spring-loaded pin used to lock a part into a specific position.
- To use it, pull the handle or knob, which retracts the pin, allowing the part to be moved freely. When released the pin springs back into a hole, securing the part in its new position.
- Body and pin are steel with black oxide finish.
Product Data
- Thread (B) : 1/2-13 UNC (12.7mm)
- Thread Length (E)
20.1
mm
(Equiv. 0.791 in.) - Initial End Force 0.7 N
- Final End Force 1.6 N
- Tip Diameter (A) 6.0 mm
- Tip Length (D) 6.1 mm
- Nut Size (E) 16.3 mm
- Nut Thickness (J) 6.1 mm
- Material Steel
Product Compliance and Data
Additional Resources
Cross References
- WIP515
- WIP-515


