
Miniature Bearings Australia
REF-050-R-CB - Datasheet
MBA
Category Information
Rod Ends - Female - Steel - Plain - Bronze LinedBronze Lined Plain Steel Female Rod Ends. Imperial and Metric / Carbon Steel. Also known as Heim Joints
- An expanded range may be available on special order. Please enquire.
- Dimensions not shown are available on request.
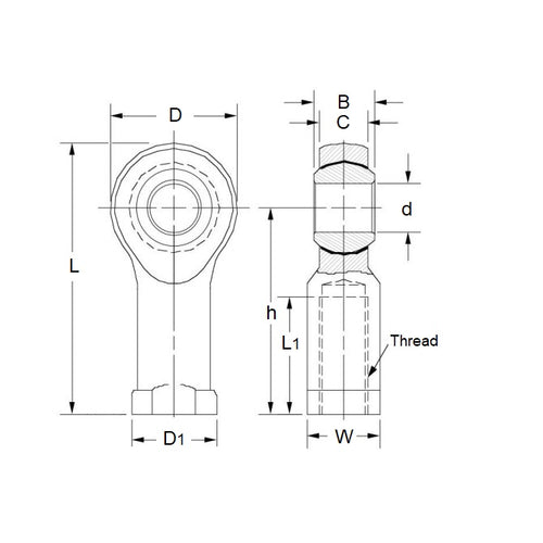
Product Data
- Eye Size (d1)
:
5
mm
(Equiv. 0.197 in.) - Overall Length (L)
35.00
mm
(Equiv. 1.378 in.) - Thread Size (T) M5x0.8 Right
- Thread Length (l2) 14.00 mm
- Head Width (W) 6.00 mm
- Eye Width (W1) 8.00 mm
- Head Diameter (D) 16.00 mm
- Centre Height (l1) 27.00 mm
- Grease Nipple No
- Body Width/Flange Width(W2/D3) 9.00 / 12.00 mm
- Material Bronze Lined Steel
Product Compliance and Data
Additional Resources
Cross References
- RINO BEF-05-RH
- ASAHI JAF5
- KWK KF5
- IKO PHS5
- Nachi PHS-5
- NTN SFI-5
- BEF05RH
- SFI5


