
Miniature Bearings Australia
KF079C-025-TPH-IN - Datasheet
MBA
Category Information
Knobs - Ball - Female Threaded - Phenolic - StandardStandard Phenolic Female Threaded Ball Knobs. Moulded from black or red phenolic resin.
- An expanded range may be available on special order. Please enquire.
- Light Weight.
- Thermal insulating.
- Non corrosive.
Product Data
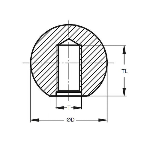
- Thread or Hole Size : 5/16-18 UNC (7.94mm)
- Diameter
25.40
mm
(Equiv. 1 in.) - Colour Black
- Mounting Type Threaded - Brass Insert
- Material Phenolic
Product Compliance and Data
Additional Resources
Cross References
- 6046K14
- Small Parts BK-2
- BK2
- B-4
- B4


