
Miniature Bearings Australia
PUI010-0520-120-AS440 - Datasheet
MBA
Category Information
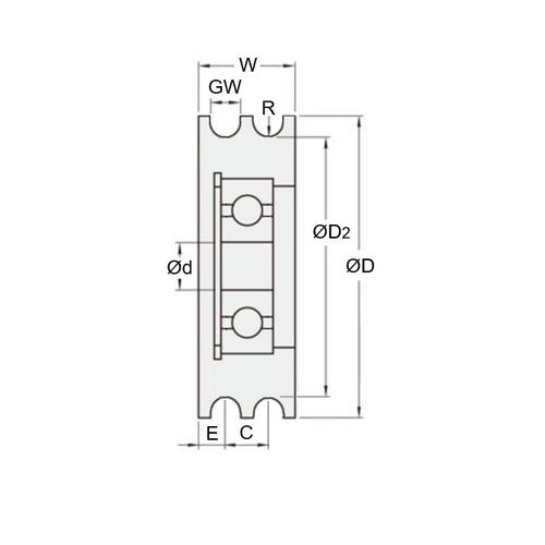
Pulleys - U Groove Idler - Double Row - AluminiumAluminium Double Row U Groove Idler Pulleys. Aluminium with Stainless Ball Bearings
- Use with round belts such as Round Seamless Urethane or O-Rings
- Also used to run on round shafting or curved tracks
Product Data
- Maximum Cable Diameter (H)
:
5.0
mm
(Equiv. 0.197 in.) - Outside Diameter (OD)
52.0
mm
(Equiv. 2.047 in.) - Bore (A)
12.000
mm
(Equiv. 0.472 in.) - Body Width 16.0 mm
- Overall Width (OAL) 16.0
- Dia. to Base of Groove (B) 45 mm
- Centre Spacing 7
- Type Stainless 440 Shielded Precision Ball Bearing
- Groove Radius (R) 2.6
- Material Aluminium Alloy - Clear Anodized
Product Compliance and Data
Additional Resources
Cross References
- MBXAC5026


