
Miniature Bearings Australia
SMR754-220-YY-VP - Datasheet
MBA
Category Information
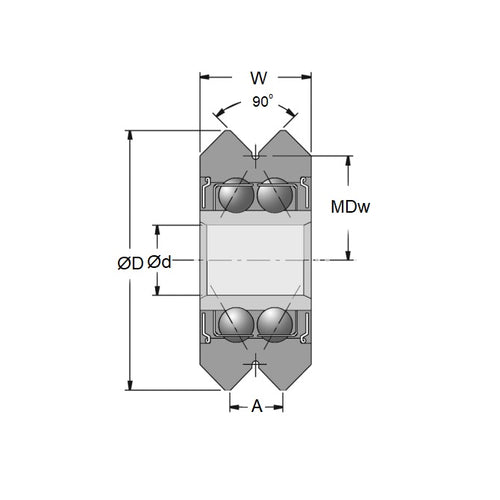
Dual Vee - Plain Guide WheelsPlain Guide Wheels Dual Vee. Vee grooved track roller guide wheels with Abec 5 precision bearings.
- An expanded range may be available on special order. Please enquire.
- Match with correct Track Size.
Product Data
- Size Reference : 4XL
- Outside Diameter (O.D)
75.438
mm
(Equiv. 2.97 in.) - Journal Width (W)
25.400
mm
(Equiv. 1 in.) - Bore (d) 22.000 mm
- Bottom of Groove to Ctre (MDw) 31.75 mm
- Radial Working Load Capacity 1013 KgF
- Axial Working Load Capacity 615 KgF
- Bearing Type Sealed Bearing
- Material Stainless Steel AISI 440C
Product Compliance and Data
Additional Resources
Cross References
- Dual Vee W4XL-X-SS
- Reid Tool® WZ-99
- W4XLXSS
- SMR7543822YYVP
- WZ99


