
Miniature Bearings Australia
BF0040-0080-0120-BS1220LT - Datasheet
MBA
Category Information
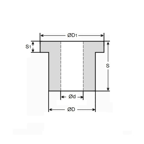
Bushes - Flanged - Bronze - SinteredSintered Bronze Flanged Bushes. Oil impregnated flanged sintered bronze bushes.
- An expanded range may be available on special order. Please enquire.
- Precision items show an allowable Load Speed Rating in Newtons times RPM.
Product Data
- Nominal Inside Diameter (d)
:
4.000
mm
+ 0.000 / + 0.020
(Equiv. 0.157 in.) - Nominal Outside Diameter (D)
8.000
mm
+ 0.019 / + 0.040
(Equiv. 0.315 in.) - Length (s)
12.000
mm
+/- 0.127
(Equiv. 0.472 in.) - Flange OD (D1) 12.00 mm
- Flange Thickness (S1) 2.00 mm
- Comments ISO2795
- Material Bronze SAE 841 Sintered
Product Compliance and Data
Additional Resources
- DU Bush Material Information
- General Bushes Catalogue
- Sintered Bronze Products Catalogue
- Solid Bronze Bushes catalogue
Cross References
- Oilube FM-408-12
- FM40812
- BF004000800120BS
- BF004000800120BSLT
- QFM612
- QFM6-12


