
Miniature Bearings Australia
0T-0040-0031-0300-BR - Datasheet
MBA
Category Information
Tube - Round - BrassBrass Round Tube. Hollow brass round tubing for general hobby applications.
- Round tubing are available in many different materials.
- Includes K&S Metals range and more
- May be slightly oversized on OD so some reworking might be required before fitting closely mating parts.
- Includes K&S Metals range and more.
- This product is not recommended for use as a bearing shaft. We suggest you use items from the category - Shafting - Ground for bearing shaft.
- Many sizes fit neatly into larger sizes to allow for telescoping size applications. Some items may be available in longer or shorter lengths. E-mail us with enquiries.
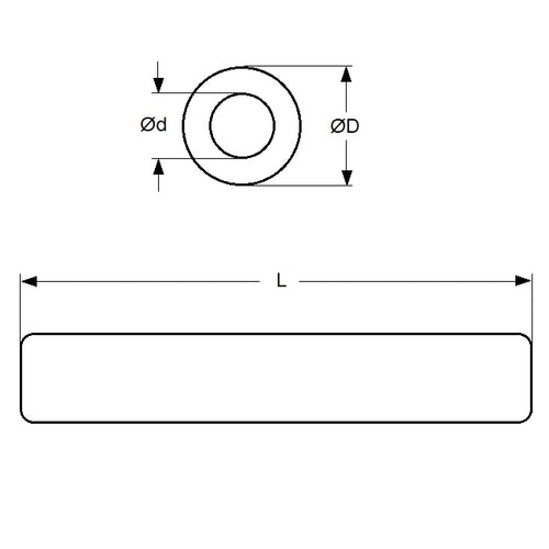
Product Data
- OD (D)
:
4.00
mm
+/- 0.051
(Equiv. 0.157 in.) - ID (d)
3.10
mm
+/- 0.076
(Equiv. 0.122 in.) - Length (L)
300
mm
+/- 1.0
(Equiv. 11.811 in.) - Temper Alloy 260 1/2-3/4 hard mill finish ASTM B135
- Quantity Per Card 3
- Material Brass
Product Compliance and Data
Additional Resources
Cross References
- 88605K23
- KSE KS9822
- KSE KSE-M0032
- KSEM0032


