
Miniature Bearings Australia
CMP24-0951-0724-129 - Datasheet
MBA
Category Information
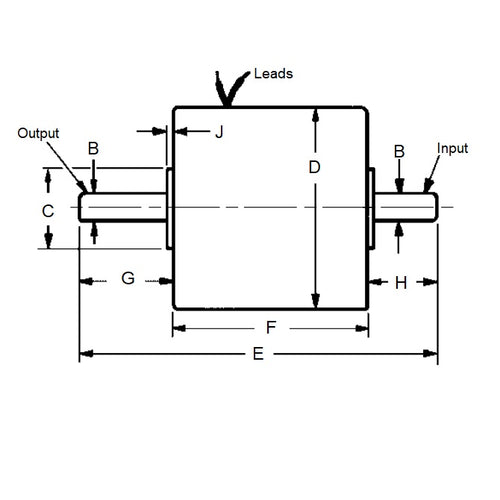
Clutches - Magnetic Particle 24VDCMagnetic Particle 24VDC Clutches. Ultrafast Responses.
- The input shaft becomes coupled to the output shaft with electrical excitation.
- Shafts have a flat on the end.
- Soft or fast start.
Product Data
- Torque Range : 461 to 17295 g.cm
- Shaft Diameter
9.512
mm
(Equiv. 0.374 in.) - Overall Length
128.778
mm
(Equiv. 5.07 in.) - Max. Speed 1400
- Outside Diameter 72.390
Product Compliance and Data
Additional Resources
Cross References
- S90MPAC28D37
- S90MPA-C28D37


