
Miniature Bearings Australia
CP-127-HUB-G-PR-47 - Datasheet
MBA
Category Information
Couplings - Geargrip - Precision HubsPrecision Hubs Geargrip Couplings. Match with sleeves from sleeves category
- An expanded range may be available on special order. Please enquire.
Product Data
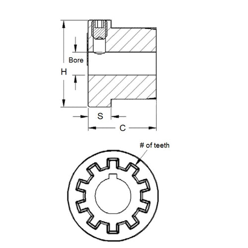
- Bore
:
12.700 (Keyed)
mm
(Equiv. 0.5 in.) - Sleeve OD For 46.75 OD Sleeve mm
- Overall Length Assembled When Complete 60.45 mm
- Description Single Hub Only
- Hub Protrusion Assembled 9.652 mm
- Number of Teeth 12 Nr.
- Hub Length 28.956 mm
- Hub Diameter (C) 41.402 mm
- Keyway Size 3.17 x 1.57 mm
Product Compliance and Data
Additional Resources
Cross References
- GU2503
- GU-2503


