Miniature Bearings Australia - MBA Minibearings
Miniature Bearings Australia

MB-0454-064 - Datasheet

MBA

Category Information

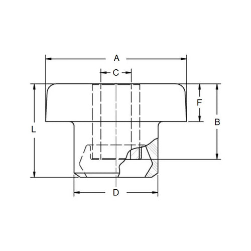
Mounts - Bonded - Tee Bush Centre Bolt

Tee Bush Centre Bolt Bonded Mounts. Vibration isolation for mobile and static applications involving plate clamping

  • An expanded range may be available on special order. Please enquire.
  • Reduces structure borne noise and absorbs shock forces
  • Low profile height

Product Data

  • Max Static Load : 453 kg
  • Bolt Hole Diameter (C) 16.5 mm
    (Equiv. 0.65 in.)
  • Flange Diameter (A) 63.5 mm
    (Equiv. 2.5 in.)
  • Flange Width (F) 15.75 mm
  • Shoulder Diameter (D) 41.1 mm
  • Overall Length (B) 50.8 mm
  • Material Rubber
Country of Origin: US

Product Compliance and Data

Additional Resources

Cross References

  • BBM40
  • BBM-40
View full details