
Miniature Bearings Australia
BF0445-0572-0635-BS7664TH - Datasheet
MBA
Category Information
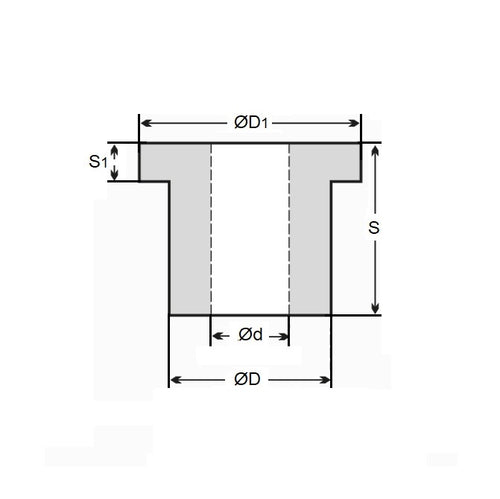
Bushes - Flanged - Bronze - SinteredSintered Bronze Flanged Bushes. Oil impregnated flanged sintered bronze bushes.
- An expanded range may be available on special order. Please enquire.
- Precision items show an allowable Load Speed Rating in Newtons times RPM.
Product Data
- Nominal Inside Diameter (d)
:
44.450
mm
+ 0.051 / + 0.076
(Equiv. 1.75 in.) - Nominal Outside Diameter (D)
57.150
mm
+ 0.076 / + 0.102
(Equiv. 2.25 in.) - Length (s)
63.500
mm
+/- 0.190
(Equiv. 2.5 in.) - Flange OD (D1) 76.20 mm
- Flange Thickness (S1) 6.35 mm
- Material Bronze SAE 841 Sintered
Product Compliance and Data
Additional Resources
- DU Bush Material Information
- General Bushes Catalogue
- Sintered Bronze Products Catalogue
- Solid Bronze Bushes catalogue
Cross References
- 6338K443
- Oilite FF-2204-3
- Oilube FF-2204-3
- Oilite FF2204-3
- Symmco SF-5672-40
- FF22043
- BF044505720635BS
- BF044505720635BSTH
- SF567240


