
Miniature Bearings Australia
CCF145RS - Datasheet
MBA
Category Information
Roller Followers - StandardStandard Roller Followers. This is the main category in this series
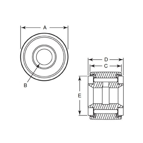
Product Data
- Diameter (A)
:
44.450
mm
(Equiv. 1.75 in.) - Overall Width (D)
26.988
mm
(Equiv. 1.063 in.) - Bore (B)
12.700
mm
(Equiv. 0.5 in.) - Width (C) 25.400 mm
- E 31.750 mm
- Dynamic Load Rating 2896.187 kg
- Static Load Rating 7184.903 kg
- Material Steel
Product Compliance and Data
Additional Resources
Cross References
- 6831K47
- CCF-145
- CCF145


