
Miniature Bearings Australia
BP0429-0556-1016-BSTH - Datasheet
MBA
Category Information
Bushes - Unflanged - Bronze - SinteredSintered Bronze Unflanged Bushes. Oil impregnated sintered bronze bushes.
- An expanded range may be available on special order. Please enquire.
- Precision items show an allowable Load Speed Rating in Newtons times RPM.
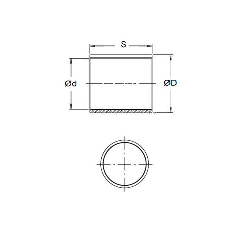
Product Data
- Nominal Inside Diameter (d)
:
42.863
mm
+ 0.064 / + 0.102
(Equiv. 1.688 in.) - Nominal Outside Diameter (D)
55.563
mm
+ 0.089 / + 0.127
(Equiv. 2.188 in.) - Length (s)
101.600
mm
+/- 0.254
(Equiv. 4 in.) - Material Bronze SAE 841 Sintered
Product Compliance and Data
Additional Resources
- DU Bush Material Information
- General Bushes Catalogue
- Sintered Bronze Products Catalogue
- Solid Bronze Bushes catalogue
Cross References
- Bunting EP273564
- Daemar P-168-32
- Symmco SS-5470-64
- BP042905561016BSH
- BP042905561016BSHH
- SS547064
- P16832
- A7B4SP526832
- A7B4-SP526832


