
Miniature Bearings Australia
IP-118RS - Datasheet
MBA
Category Information
Housing and Bearing Assembly - Tapped Base - StainlessStainless Tapped Base Housing and Bearing Assembly. Full stainless steel bearing units are the best solution for hostile chemical washdown applications. All metal bearing insert components are a combination of 302, 304 and 440 stainless steel. Seals are silicone rubber. Grease is H-1 food grade.
- Bearing housing assemblies combine matching parts already assembled. Bearings in this range refer to either ball bearings or plain bearings. Refer to the listings for each type.
- Operating temperature minus 20 oC to +120 deg C
- Solid 304 stainless housings have a machined base and extremely smooth surface finish, essential for demanding washdown installations.
- These housings do not experience flaking, cracking or discolouration and are virtually unaffected by scrapes.
- Bearings are removable.
- Food grade
Product Data
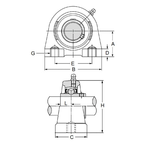
- Bore
:
42.863
mm
(Equiv. 1.688 in.) - Centre Height (A)
53.975
mm
(Equiv. 2.125 in.) - Width (B)
127.000
mm
(Equiv. 5 in.) - Depth (C) 95.250 mm
- Bolt Depth (D) 19.050 mm
- Bolt Distances (E) 95.250 mm
- Thread (G) 1/2-13 UNC (12.7mm)
- K 49.200 mm
- L 30.201 mm
Product Compliance and Data
Additional Resources


