
Miniature Bearings Australia
BF0400-0500-0500-BS6050LT - Datasheet
MBA
Category Information
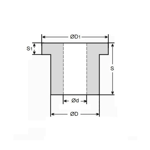
Bushes - Flanged - Bronze - SinteredSintered Bronze Flanged Bushes. Oil impregnated flanged sintered bronze bushes.
- An expanded range may be available on special order. Please enquire.
- Precision items show an allowable Load Speed Rating in Newtons times RPM.
Product Data
- Nominal Inside Diameter (d)
:
40.000
mm
+ 0.009 / + 0.040
(Equiv. 1.575 in.) - Nominal Outside Diameter (D)
50.000
mm
+ 0.040 / + 0.070
(Equiv. 1.969 in.) - Length (s)
50.000
mm
+/- 0.190
(Equiv. 1.969 in.) - Flange OD (D1) 60.00 mm
- Flange Thickness (S1) 5.00 mm
- Comments ISO2795
- Material Bronze SAE 841 Sintered
Product Compliance and Data
Additional Resources
- DU Bush Material Information
- General Bushes Catalogue
- Sintered Bronze Products Catalogue
- Solid Bronze Bushes catalogue
Cross References
- Oilube FM-4050-50
- BF040005000500BSLT
- QFM3050
- QFM30-50
- FM405050


