
Miniature Bearings Australia
P-L9-040-127FF-SB-N-127U - Datasheet
MBA
Category Information
Pulleys - Inch Timing - 9.525mm Pitch L - 12.7mm Wide - Through BoreThrough Bore 12.7mm Wide 9.525mm Pitch L Inch Timing Pulleys. Timing Pulleys to suit L Series 9.525mm Pitch Timing Belts.
- Timing pulleys combined with timing belts, provide power transmission without slippage.
- Timing pulleys are toothed pulleys used with timing belts to synchronize the movement of different mechanical components, ensuring precise timing and coordination.
- Some uses for timing pulleys include 3D printers, CNC machines, robotics and automation components, textile machinery, office equipment such as scanners and copiers, and medical devices requiring precise movement control.
- Aluminium alloy and steel
- Aluminium have finished bore with set screw
- Steel have either finished or unfinished bore as shown in the listings
- Unfinished types requires drilling and tapping
- Unfinished bore type requires machining to finished size
Product Data
- Number of Teeth : 40
- Max Belt Width
12.70
mm
(Equiv. 0.5 in.) - Bore (d)
12.700
mm
(Equiv. 0.5 in.) - Bore Type Unfinished
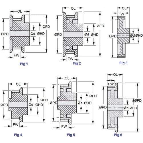
- Type 2
- Pitch Dia. (PD) 121.22 mm
- Flange Diameter (FD) 127.0 mm
- Overall Length 31.8 mm
- Hub Diameter (HD) 92.1
- Locking Type None
- Material Steel - Black Oxide
Product Compliance and Data
Additional Resources
Cross References
- Gates 40L050-6FS6
- 40L0506FS6


