
Miniature Bearings Australia
CFF040-28-080M-R60 - Datasheet
MBA
Category Information
Mounts - Bobbin - FemaleFemale Bobbin Mounts. Vibration dampening
- An expanded range may be available on special order. Please enquire.
- Also see Bumpers
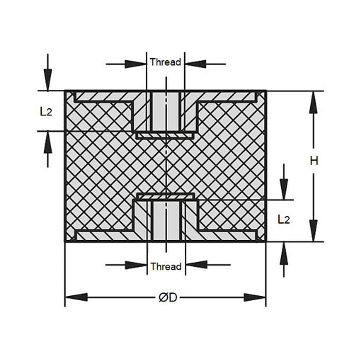
Product Data
- Nom. Body Diameter (D)
:
40.00
mm
(Equiv. 1.575 in.) - Body Height (H)
28.00
mm
(Equiv. 1.102 in.) - Thread Size M8x1.25
- Shore Hardness 60
- Thread Depth (L2) 8.0 mm
- Max Shear Load 1664 Kg (lbs)
- Configuration Female to Female
- Other Info 283.00
- Material Natural Rubber
Product Compliance and Data
Additional Resources
Cross References
- Misumi C-DD4028-8
- CDD40288


