
Miniature Bearings Australia
SLQ-0476-0795-03810-T - Datasheet
MBA
Category Information
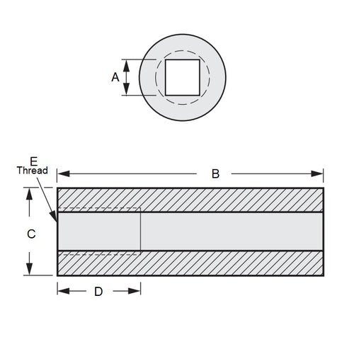
Sleeves - Square Hole - Threaded - Carbon SteelCarbon Steel Threaded Square Hole Sleeves. Square and concentric to 0.076mm (0.003in). Threaded.
- Precisely machined, round outer surface and a uniform, precisely square-shaped hole completely through its center.
Product Data
- Nominal Square Size
:
4.864
mm
+/- 0.0254
(Equiv. 0.191 in.) - Outside Diameter (C)
7.938
mm
(Equiv. 0.313 in.) - Length (B)
38.100
mm
(Equiv. 1.5 in.) - Actual Square Size (A) 4.763 mm
- Thread Depth (D) 11.125 mm
- Thread Size 1/4-28 UNF (6.350mm)
- Material Carbon Steel 11L17
Product Compliance and Data
Additional Resources
Cross References
- SHS-18
- SHS18
- A7C19-T018
- A7C19T018


