Miniature Bearings Australia - MBA Minibearings
Miniature Bearings Australia

GHK0476-0476-051 - Datasheet

ExaktKey

Category Information

Keys - Gib Head - Steel

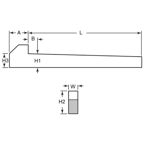
Steel Gib Head Keys. Tapered 3.000 mm per 300 mm (1:100)

  • An expanded range may be available on special order. Please enquire.

Product Data

  • Nominal Key Height (H1) : 4.763 mm
    (Equiv. 0.188 in.)
  • Width (W) 4.763 mm
    (Equiv. 0.188 in.)
  • Length (L) 50.8 mm
    (Equiv. 2 in.)
  • Head Height (h2) Approx. 7.9 mm
  • Approx (B) 5.08
  • Approx (H3) 5.56
  • Taper 1:100
  • Standard BS46
  • Head Length (Approx) (A) 6.35 mm
  • Material Cold Finished Steel
Country of Origin: US

Product Compliance and Data

Additional Resources

Cross References

  • 98471A118
  • NoCor GIB-0187-2000
  • GIB01872000
View full details