
Miniature Bearings Australia
SBS1-187 - Datasheet
MBA
Category Information
Bearings - Self Clinching - Self Aligning - MiniatureMiniature Self Aligning Self Clinching Bearings. Spyraflo pressed steel housings incorporating Abec 3 bearings in a special seat allowing for +/- 5 Deg Misalignment. Improves performance and reduces manufacturing costs and simplify designs. Designed to press into a mounting plate as thin as 1.5mm.
- A self-clinching bearing is a type of bearing that is designed to be installed directly into a panel or housing without the need for additional fasteners or hardware.
- These bearings are often used in sheet metal or thin-walled structures where it may be challenging to use traditional fastening methods.
- Self-clinching bearings have features that allow them to be securely mounted in place by applying pressure, eliminating the need for welding, adhesives, or external fasteners. All items are priced to quit.
- Clinches into a plate bored to the required housing bore. Minimum plate thickness 1.6mm to no maximum. Maximum mounting hardness 100 Rockwell B.
- Operating temperature Minus 34 oC to Plus 121 Deg C
- Compensates for mounting hole tolerances up to 0.07mm
- 4.76 to 10mm bores
- RoHS, REACH and SVHC environmental compliant
Product Data
Deleted Item. Available while stocks last.
Please contact us first if you wish to use this item in a new design so we can check whether production can be resumed.
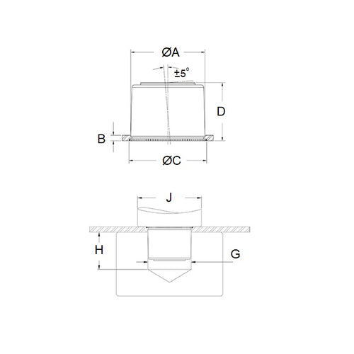
- Nominal Shaft Size
:
4.762
mm
(Equiv. 0.187 in.) - Min. Panel Hole (A)
16.256 to 16.332
mm
(Equiv. 0.64 in.) - Overall Width (D)
7.14
mm
(Equiv. 0.281 in.) - Max Speed 40000 RPM
- Clinching Diameter (C) 17.5 mm
- Max. Radial Dynamic Load 50 kgf
- Radial Static Load Capacity 27 kgf
- Material Chrome Steel in Carbon Steel
Product Compliance and Data
Additional Resources
- Catalogue: Ceramic Bearings Catalogue
- Catalogue: Plastic Bearings Catalogue
- Catalogue: Standard Bearings Catalogue
- General: Bearing Cleanliness
- General: Bearing Clearances
- General: Bearing Flanges & Snap Rings
- General: Bearing Retainers (Cages)
- General: General Loads Information
- General: Lubrication
- General: Prefix & Suffix Guide
- General: Static vs Dynamic Loads
- Materials: 316 Stainless
- Materials: CASSTOP Anti-Corrosion Bearing Material
- Materials: Ceramic vs Ceramic Hybrid
- Materials: Ceramic Bearings in Vibratory Applications
- Materials: Ceramic Hybrid Bearings in Vibratory Applications
- Materials: General Bearing Materials
- Materials: Magnetism & Bearings
- Precision: 316 Stainless & Plastic Bearing Tolerances
- Precision: ABEC Basic Information
- Precision: Precision Bearing Tolerances
- Problem Solving: Bearing Failure
- Problem Solving: Fatigue (L10 Life)
- Problem Solving: Noise
Cross References
- 1437N12


