
Miniature Bearings Australia
PUI048-0318-064-ZB-RS - Datasheet
MBA
Category Information
Pulleys - U Groove Idler - Single Row - SteelSteel Single Row U Groove Idler Pulleys. Steel with Steel Ball Bearings
- Use with round belts such as Round Seamless Urethane or O-Rings
- Also used to run on round shafting or curved tracks
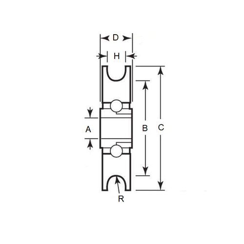
Product Data
- Maximum Cable Diameter (H)
:
4.76
mm
(Equiv. 0.187 in.) - Outside Diameter (OD)
31.75
mm
(Equiv. 1.25 in.) - Bore (A)
6.350
mm
(Equiv. 0.25 in.) - Body Width 9.53 mm
- Overall Width (OAL) 11.10
- Dia. to Base of Groove (B) 22.23 mm
- Type Precision Shielded Ball Bearing - Hardened Raceway - Heavy Duty
- Groove Radius (R) 2.36
- Material Steel
Product Compliance and Data
Additional Resources
Cross References
- 3434T23
- CBL-990
- CBL990
- A6C902008
- A6C9-02008


