
Miniature Bearings Australia
SHX-TP-0285C-06-011-A - Datasheet
MBA
Product Data
Deleted Item. Available while stocks last. Deleted Item. Available while stocks last.
Please contact us first if you wish to use this item in a new design so we can check whether production can be resumed.
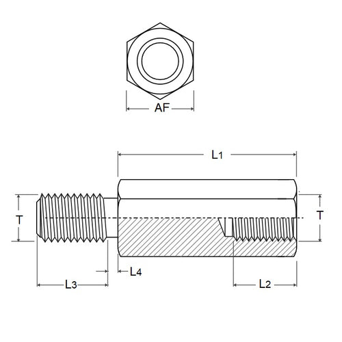
- Thread Size : 4-40 UNC (2.85mm)
- Stud Length (L3)
4.76
mm
(Equiv. 0.187 in.) - Base Length (L1)
6.35
mm
(Equiv. 0.25 in.) - Across Flats (A/F) 6.35 mm
- Bore Thread Length (L2) 3.48 mm
- Finish Plain
- Material Aluminium
Product Compliance and Data
Additional Resources
Cross References
- 93505A430
- RAF602
- RAF-602


