
Miniature Bearings Australia
BFM-4M-N - Datasheet
MBA
Category Information
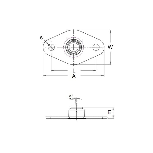
Housing and Bearing Assembly - Flanged 2 Bolt - Aligning - Needle RollerNeedle Roller Aligning Flanged 2 Bolt Housing and Bearing Assembly. Low profile self aligning flange mounted needle roller bearings
- Bearing housing assemblies combine matching parts already assembled. Bearings in this range refer to either ball bearings or plain bearings. Refer to the listings for each type.
- Flanged mounting allows for a shaft to run through a bulkhead to which the housing is mounted, or to have a shaft mounted perpendicular to a metal frame.
- +/- 5% Static Alignment
Product Data
Deleted Item. Available while stocks last.
Please contact us first if you wish to use this item in a new design so we can check whether production can be resumed.
- Nominal Shaft Size
:
4.000
mm
(Equiv. 0.157 in.) - Width (W)
53.00
mm
(Equiv. 2.087 in.) - Overall Length (A)
17.00
mm
(Equiv. 0.669 in.) - Overall Height (E) 30.00 mm
- Min to Max Shaft Dia. 3.992 to 4.000 mm
- Max. Radial Dynamic Load 1780 N
- Bolt Hole Centres (L) 39.00 mm
- Max Speed 41000
- Material Steel
Product Compliance and Data
Additional Resources


