
Miniature Bearings Australia
BP0381-0508-0889-BSHT2 - Datasheet
MBA
Category Information
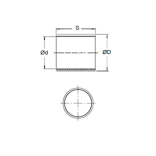
Bushes - Unflanged - Bronze - SinteredSintered Bronze Unflanged Bushes. Oil impregnated sintered bronze bushes.
- An expanded range may be available on special order. Please enquire.
- Precision items show an allowable Load Speed Rating in Newtons times RPM.
Product Data
- Nominal Inside Diameter (d)
:
38.100
mm
+ 0.076 / + 0.102
(Equiv. 1.5 in.) - Nominal Outside Diameter (D)
50.800
mm
+ 0.064 / + 0.102
(Equiv. 2 in.) - Length (s)
88.900
mm
+/- 0.254
(Equiv. 3.5 in.) - Material Bronze SAE 841 Sintered
Product Compliance and Data
Additional Resources
- DU Bush Material Information
- General Bushes Catalogue
- Sintered Bronze Products Catalogue
- Solid Bronze Bushes catalogue
Cross References
- Bunting EP243256
- Daemar P-153-28
- Oilube P-153-28
- Symmco SS-4864-56
- BP038105080889BSHH1
- SS486456
- P15328
- A7B4SP486428
- A7B4-SP486428


