
Miniature Bearings Australia
BP0381-0476-0699-BSHT2 - Datasheet
MBA
Category Information
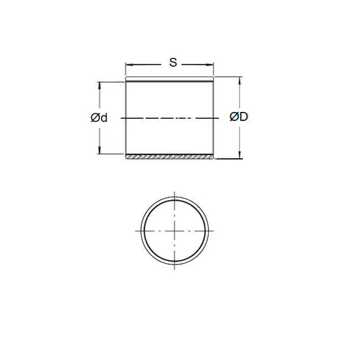
Bushes - Unflanged - Bronze - SinteredSintered Bronze Unflanged Bushes. Oil impregnated sintered bronze bushes.
- An expanded range may be available on special order. Please enquire.
- Precision items show an allowable Load Speed Rating in Newtons times RPM.
Product Data
- Nominal Inside Diameter (d)
:
38.100
mm
+ 0.076 / + 0.102
(Equiv. 1.5 in.) - Nominal Outside Diameter (D)
47.625
mm
+ 0.064 / + 0.102
(Equiv. 1.875 in.) - Length (s)
69.850
mm
+/- 0.190
(Equiv. 2.75 in.) - Material Bronze SAE 841 Sintered
Product Compliance and Data
Additional Resources
- DU Bush Material Information
- General Bushes Catalogue
- Sintered Bronze Products Catalogue
- Solid Bronze Bushes catalogue
Cross References
- Bunting EP243044
- Daemar P-152-22
- Oilube P-152-22
- Symmco SS-4860-44
- BP038104760699BSHH
- SS486044
- P15222
- A7B4SP486022
- A7B4-SP486022


