
Miniature Bearings Australia
BF0381-0445-0381-BS5124HL - Datasheet
MBA
Category Information
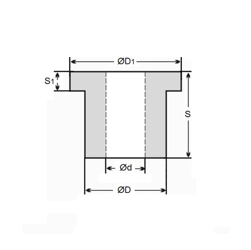
Bushes - Flanged - Bronze - SinteredSintered Bronze Flanged Bushes. Oil impregnated flanged sintered bronze bushes.
- An expanded range may be available on special order. Please enquire.
- Precision items show an allowable Load Speed Rating in Newtons times RPM.
Product Data
- Nominal Inside Diameter (d)
:
38.100
mm
+ 0.051 / + 0.076
(Equiv. 1.5 in.) - Nominal Outside Diameter (D)
44.450
mm
+ 0.025 / + 0.051
(Equiv. 1.75 in.) - Length (s)
38.100
mm
+/- 0.127
(Equiv. 1.5 in.) - Flange OD (D1) 50.80 mm
- Flange Thickness (S1) 2.38 mm
- Material Bronze SAE 841 Sintered
Product Compliance and Data
Additional Resources
- DU Bush Material Information
- General Bushes Catalogue
- Sintered Bronze Products Catalogue
- Solid Bronze Bushes catalogue
Cross References
- Oilite FF1704-4
- Oilube FF1704-4
- Symmco SF-4856-24
- BF038104450381BS5124
- BF038104450381BSF5124-UU
- BF038104450381BSF5124UU
- SF485624
- FF17044


