
Miniature Bearings Australia
MLM-254C-151-CNY-0LH - Datasheet
MBA
Category Information
Mounts - Levelling Studded - Light Duty - Nylon - No Lag HolesNo Lag Holes Nylon Light Duty Levelling Studded Mounts. Adjusters.
- An expanded range may be available on special order. Please enquire.
Product Data
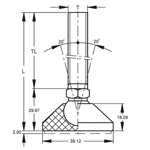
- Thread Size (A) : 1-8 UNC (25.4mm)
- Base Diameter (D)
122.9
mm
(Equiv. 4.839 in.) - Foot Height (C)
35.1
mm
(Equiv. 1.382 in.) - Thread Length (F) 150.6 mm
- Base Height (E) 39.4 mm
- Overall Height 189.99 mm
- Load Rating 3629 Kg
- 2
- Material Steel
Product Compliance and Data
Additional Resources
Cross References
- MLM0151254CNC
- MLM3629254CNC
- RL1602P
- RL-1602-P


