
Miniature Bearings Australia
BP0365-0413-0381-BSHT - Datasheet
MBA
Category Information
Bushes - Unflanged - Bronze - SinteredSintered Bronze Unflanged Bushes. Oil impregnated sintered bronze bushes.
- An expanded range may be available on special order. Please enquire.
- Precision items show an allowable Load Speed Rating in Newtons times RPM.
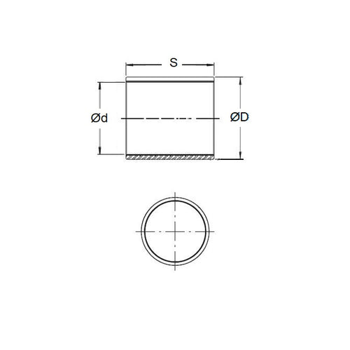
Product Data
- Nominal Inside Diameter (d)
:
36.513
mm
+ 0.089 / + 0.114
(Equiv. 1.438 in.) - Nominal Outside Diameter (D)
41.275
mm
+ 0.064 / + 0.102
(Equiv. 1.625 in.) - Length (s)
38.100
mm
+/- 0.127
(Equiv. 1.5 in.) - Material Bronze SAE 841 Sintered
Product Compliance and Data
Additional Resources
- DU Bush Material Information
- General Bushes Catalogue
- Sintered Bronze Products Catalogue
- Solid Bronze Bushes catalogue
Cross References
- Bunting EP232624
- Daemar P-143-12
- Oilube P-143-12
- Symmco SS-4652-24
- BP036504130381BS
- BP036504130381BSH
- BP036504130381BSHH
- SS465224
- P14312
- A7B4SP465212
- A7B4-SP465212


