
Miniature Bearings Australia
BP0350-0450-0350-BSLT - Datasheet
MBA
Category Information
Bushes - Unflanged - Bronze - SinteredSintered Bronze Unflanged Bushes. Oil impregnated sintered bronze bushes.
- An expanded range may be available on special order. Please enquire.
- Precision items show an allowable Load Speed Rating in Newtons times RPM.
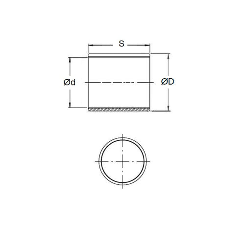
Product Data
- Nominal Inside Diameter (d)
:
35.000
mm
+ 0.009 / + 0.040
(Equiv. 1.378 in.) - Nominal Outside Diameter (D)
45.000
mm
+ 0.040 / + 0.070
(Equiv. 1.772 in.) - Length (s)
35.000
mm
+/- 0.120
(Equiv. 1.378 in.) - Comments ISO2795
- Material Bronze SAE 841 Sintered
Product Compliance and Data
Additional Resources
- DU Bush Material Information
- General Bushes Catalogue
- Sintered Bronze Products Catalogue
- Solid Bronze Bushes catalogue
Cross References
- 6658K72
- Oilite AM-3545-35
- Oilube AM-3545-35
- BP035004500350BS
- AM354535


