
Miniature Bearings Australia
IP-223RS - Datasheet
MBA
Category Information
Housing and Bearing Assembly - Pillow Block - Thermoplastic and SteelThermoplastic and Steel Pillow Block Housing and Bearing Assembly. Thermoplastic housed units offer an economical alternative with good chemical and washdown resistance.
- Bearing housing assemblies combine matching parts already assembled. Bearings in this range refer to either ball bearings or plain bearings. Refer to the listings for each type.
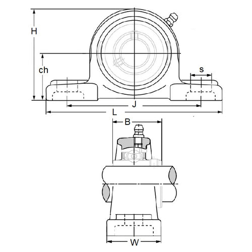
- Pillo block type are a pedestal mounted with two bolt holes through the base.
- Thermoplastic housings are off-white and are made from glass reinforced PBT resin.
- Excellent mechanical, thermal and electrical properties.
- Operational temperature -20 to +100 oC
Product Data
- Inside Diameter
:
35.000
mm
(Equiv. 1.378 in.) - Centre Height (A)
47.600
mm
(Equiv. 1.874 in.) - Length (B)
168.000
mm
(Equiv. 6.614 in.) - Width (C) 48.000 mm
- Foot Height (D) 18.000 mm
- Bolt Centres (E) 127.000 mm
- Bolt Hole Size (G) 18.000 mm
- Height (H) 94.000 mm
- K 17.500 mm
- L 25.400 mm
Product Compliance and Data
Additional Resources


