
Miniature Bearings Australia
BF0349-0413-0191-BS5132TT - Datasheet
MBA
Category Information
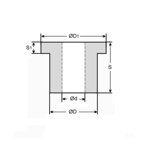
Bushes - Flanged - Bronze - SinteredSintered Bronze Flanged Bushes. Oil impregnated flanged sintered bronze bushes.
- An expanded range may be available on special order. Please enquire.
- Precision items show an allowable Load Speed Rating in Newtons times RPM.
Product Data
- Nominal Inside Diameter (d)
:
34.925
mm
+ 0.025 / + 0.051
(Equiv. 1.375 in.) - Nominal Outside Diameter (D)
41.275
mm
+ 0.051 / + 0.076
(Equiv. 1.625 in.) - Length (s)
19.050
mm
+/- 0.190
(Equiv. 0.75 in.) - Flange OD (D1) 50.80 mm
- Flange Thickness (S1) 3.18 mm
- Material Bronze SAE 841 Sintered
Product Compliance and Data
Additional Resources
- DU Bush Material Information
- General Bushes Catalogue
- Sintered Bronze Products Catalogue
- Solid Bronze Bushes catalogue
Cross References
- Oilite FF1618
- Oilite FF-1618
- Oilube FF-1618
- Symmco SF-4452-12
- BF034904130191BSF5132
- BF034904130191BS5132
- SF445212


