
Miniature Bearings Australia
BP0333-0413-0508-BSHT2 - Datasheet
MBA
Category Information
Bushes - Unflanged - Bronze - SinteredSintered Bronze Unflanged Bushes. Oil impregnated sintered bronze bushes.
- An expanded range may be available on special order. Please enquire.
- Precision items show an allowable Load Speed Rating in Newtons times RPM.
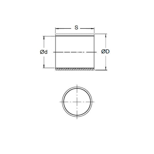
Product Data
- Nominal Inside Diameter (d)
:
33.338
mm
+ 0.051 / + 0.076
(Equiv. 1.313 in.) - Nominal Outside Diameter (D)
41.275
mm
+ 0.064 / + 0.102
(Equiv. 1.625 in.) - Length (s)
50.800
mm
+/- 0.190
(Equiv. 2 in.) - Material Bronze SAE 841 Sintered
Product Compliance and Data
Additional Resources
- DU Bush Material Information
- General Bushes Catalogue
- Sintered Bronze Products Catalogue
- Solid Bronze Bushes catalogue
Cross References
- Oilite AA-1611-2
- Oilube AA-1611-2
- Oilite AA1611-2
- Bunting EP212632
- Daemar P-131-16
- Oilube P-131-16
- BP033304130508BS
- BP033304130508BSH
- BP033304130508BSHH
- BP033304130508BSHH1
- P13116
- A7B4-SP425216
- A7B4SP425216
- AA16112


