
Miniature Bearings Australia
BP0333-0413-0381-BSHT2 - Datasheet
MBA
Category Information
Bushes - Unflanged - Bronze - SinteredSintered Bronze Unflanged Bushes. Oil impregnated sintered bronze bushes.
- An expanded range may be available on special order. Please enquire.
- Precision items show an allowable Load Speed Rating in Newtons times RPM.
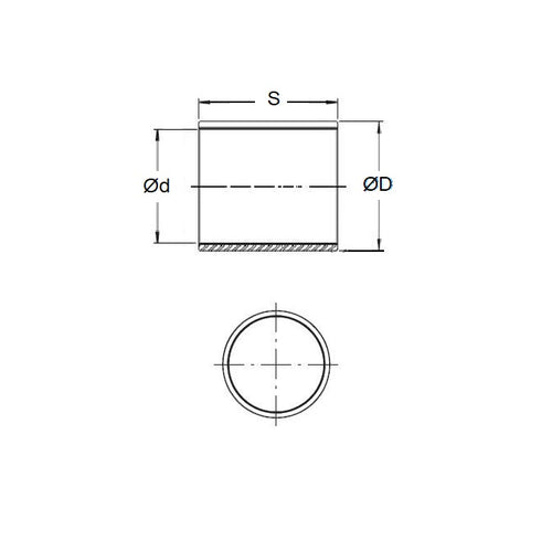
Product Data
- Nominal Inside Diameter (d)
:
33.338
mm
+ 0.051 / + 0.076
(Equiv. 1.313 in.) - Nominal Outside Diameter (D)
41.275
mm
+ 0.064 / + 0.102
(Equiv. 1.625 in.) - Length (s)
38.100
mm
+/- 0.127
(Equiv. 1.5 in.) - Material Bronze SAE 841 Sintered
Product Compliance and Data
Additional Resources
- DU Bush Material Information
- General Bushes Catalogue
- Sintered Bronze Products Catalogue
- Solid Bronze Bushes catalogue
Cross References
- 6391K667
- Oilite AA-1611-5
- Oilube AA-1611-5
- Oilite AA1611-5
- Bunting EP212624
- Daemar P-131-12
- Oilube P-131-12
- BP033304130381BS
- BP033304130381BSHH1
- P13112
- A7B4-SP425212
- A7B4SP425212
- AA16115


