
Miniature Bearings Australia
P-MXL-032-060FF-PP-GAI-050 - Datasheet
MBA
Category Information
Pulleys - Inch Timing - 2.032mm Pitch MXL - 6.4mm Wide - Plastic - Metal HubMetal Hub Plastic 6.4mm Wide 2.032mm Pitch MXL Inch Timing Pulleys. Timing Pulleys to suit MXL 2.032mm Pitch Timing Belts. Suits belts 6.0 to 6.4mm wide. Moulded single or double flange. With aluminium hub.
- Timing pulleys combined with timing belts, provide power transmission without slippage.
- Timing pulleys are toothed pulleys used with timing belts to synchronize the movement of different mechanical components, ensuring precise timing and coordination.
- Some uses for timing pulleys include 3D printers, CNC machines, robotics and automation components, textile machinery, office equipment such as scanners and copiers, and medical devices requiring precise movement control.
- 2.032mm metric is equivalent to 0.080 pitch imperial
Product Data
Deleted Item. Available while stocks last.
Please contact us first if you wish to use this item in a new design so we can check whether production can be resumed.
- Number of Teeth : 32
- Max Belt Width
6.40
mm
(Equiv. 0.252 in.) - Bore (d)
5.000
mm
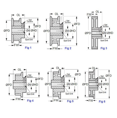
(Equiv. 0.197 in.) - Type (See Diagram) Fig 2
- Pitch Diameter (PD) 20.69 mm
- Flange Diameter (FD) 25.0 mm
- Overall Length 17.5 mm
- Hub Diameter (HD) 13.0 mm
- Locking Type Set Screw, Aluminium Insert
- Material Plastic
Product Compliance and Data
Additional Resources
Cross References
- ATA 150-126455
- ATA AMT-607-605
- 150126455
- AMT607605
- A6T16M032DF6005
- A 6T16M032DF6005


