
Miniature Bearings Australia
BP0320-0360-0200-S6 - Datasheet
MBA
Category Information
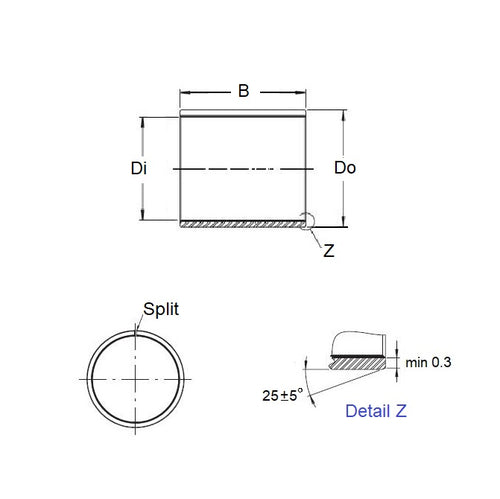
Bushes - Unflanged - Split - Stainless Steel and PTFEStainless Steel and PTFE Split Unflanged Bushes. Oil, acid, alkali and salt water resistant. Contains no lead. Particularly suited to food applications, flow meters and pumps in pharmaceutical applications, printing machines chemical engineering and seawater applications.
- An expanded range may be available on special order. Please enquire.
- Operating Temperature -200o to 280o Celsuis
- PTFE with oilfibre 0.01 to around 0.03mm
- Porous bronze 0.2 to around 0.3mm
- Stainless steel backing 0.7 to around 2.3mm
- 140 N/mm2 dynamic load rating. 250 N/mm2 static. 60 N/mm2 Oscillating. Speed Limit in oil 4.5 metres surface speed per second.
Product Data
- Nominal Inside Diameter (d)
:
32.000
mm
- 0.000 / - 0.050
(Equiv. 1.26 in.) - Nominal Outside Diameter (D)
36.000
mm
+ 0.085 / - 0.000
(Equiv. 1.417 in.) - Length (s)
20.000
mm
+ 0.00 / - 0.40
(Equiv. 0.787 in.) - Material Stainless Steel with PTFE
Product Compliance and Data
Additional Resources
- DU Bush Material Information
- General Bushes Catalogue
- Sintered Bronze Products Catalogue
- Solid Bronze Bushes catalogue
Cross References
- Glacier SF-3220-1S316
- SF32201S316


