
Miniature Bearings Australia
MLM-160M-123-S3NY-0LH - Datasheet
MBA
Category Information
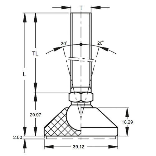
Mounts - Levelling Studded - Light Duty - Nylon - No Lag HolesNo Lag Holes Nylon Light Duty Levelling Studded Mounts. Adjusters.
- An expanded range may be available on special order. Please enquire.
Product Data
- Thread Size (A) : M16 (16x2mm)
- Base Diameter (D)
48.8
mm
(Equiv. 1.921 in.) - Foot Height (C)
18.3
mm
(Equiv. 0.72 in.) - Thread Length (F) 123.0 mm
- Base Height (E) 30.0 mm
- Overall Height 153.00 mm
- Load Rating 315 Kg
- 20
- Material Stainless Steel
Product Compliance and Data
Additional Resources
Cross References
- RL1108S
- RL-1108-S
- MLM0315M16NS3
- MLM0123M16NS3


