
Miniature Bearings Australia
MLM-120M-064-S3NY-0LH-039 - Datasheet
MBA
Category Information
Mounts - Levelling Studded - Light Duty - Nylon - No Lag HolesNo Lag Holes Nylon Light Duty Levelling Studded Mounts. Adjusters.
- An expanded range may be available on special order. Please enquire.
Product Data
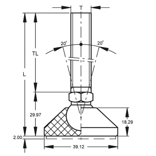
- Thread Size (A) : M12 (12x1.75mm)
- Base Diameter (D)
39.1
mm
(Equiv. 1.539 in.) - Foot Height (C)
18.3
mm
(Equiv. 0.72 in.) - Thread Length (F) 64.0 mm
- Base Height (E) 30.0 mm
- Overall Height 94.00 mm
- Load Rating 315 Kg
- Material Stainless Steel
Product Compliance and Data
Additional Resources
Cross References
- MLM0064M12NS3
- MLM0315M12NS3
- RL-2575-S
- RL2575S


