
Miniature Bearings Australia
BP0318-0445-0381-BSHT2 - Datasheet
MBA
Category Information
Bushes - Unflanged - Bronze - SinteredSintered Bronze Unflanged Bushes. Oil impregnated sintered bronze bushes.
- An expanded range may be available on special order. Please enquire.
- Precision items show an allowable Load Speed Rating in Newtons times RPM.
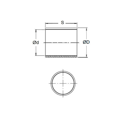
Product Data
- Nominal Inside Diameter (d)
:
31.750
mm
+ 0.076 / + 0.102
(Equiv. 1.25 in.) - Nominal Outside Diameter (D)
44.450
mm
+ 0.064 / + 0.102
(Equiv. 1.75 in.) - Length (s)
38.100
mm
+/- 0.127
(Equiv. 1.5 in.) - Material Bronze SAE 841 Sintered
Product Compliance and Data
Additional Resources
- DU Bush Material Information
- General Bushes Catalogue
- Sintered Bronze Products Catalogue
- Solid Bronze Bushes catalogue
Cross References
- 6391K665
- Symmco SS-4056-24
- BP031804450381BSHH2
- SS405624
- A7B4-SP405612
- A7B4SP405612


