
Miniature Bearings Australia
LCHP-0318-092-TSS - Datasheet
MBA
Category Information
Linear - Thomson Super Smart Housings - Pillow Block ClosedPillow Block Closed Thomson Super Smart Housings Linear. Includes Bearings.
- Universally self-aligning bearing offers twice the load capacity or 8 times the travel life of our industry standard Super Ball Bushing® bearing. Standard single or twin pillow block.
Product Data
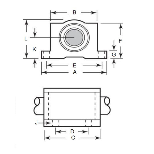
- Nominal Diameter
:
31.75
mm
(Equiv. 1.25 in.) - Widths (A x A2)
101.600 x 76.200
mm
(Equiv. 4 in.) - Length (B)
92.20
mm
(Equiv. 3.63 in.) - Bolt Distances (E x E1) 50.80 x 88.90 mm
- Height (H x H1) 38.100 x 71.374 mm
- Flange Height (F1) 11.18 mm
- Lube Hole Distance (G1 x G) 38.100 x 42.672 mm
- Bolt Dia. 5.59 mm
- Weight 1.17 Kg
- Dynamic Load Capacity 1049 kgf
Product Compliance and Data
Additional Resources
Cross References
- QBC TSS6UPB-20
- TLM-970
- TLM970
- TSS6UPB20


