
Miniature Bearings Australia
SP1-095-047B-030-127-NG - Datasheet
MBA
Category Information
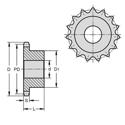
Sprockets - Roller Chain - Simplex - 35-1A - PlasticPlastic 35-1A Simplex Roller Chain Sprockets. Nylon - Acetal - With and without bore inserts.
- This category will be discontinued when the remaining items are sold.
- All items are priced to quit.
- Backorders or orders for previously listed items in the category may still be possible - please enquire.
- Match with series 9.53x4.7mm plastic or steel chain (35-1 ASA)
- American Standard 35-1 - 3/8 inch
Product Data
Deleted Item. Available while stocks last.
Please contact us first if you wish to use this item in a new design so we can check whether production can be resumed.
- Number of Teeth : 30
- PCD
90.92
mm
(Equiv. 3.58 in.) - Hub Diameter (D1)
57.15
mm
(Equiv. 2.25 in.) - Overall Width (E) 22.23 mm
- Standard Number 35-1A
- Type / Rows Type 3
- Bore (d) 12.700
- Locking Method No Locking
- Material NYLATRON GS (PA66 + MoS2)
Product Compliance and Data
Additional Resources
Cross References
- 60425K54
- A 6M 7-3730
- A6M73730
- A6M7-3730


