
Miniature Bearings Australia
BF0039-0079-0032-BS0909LU - Datasheet
MBA
Category Information
Bushes - Flanged - Bronze - SinteredSintered Bronze Flanged Bushes. Oil impregnated flanged sintered bronze bushes.
- An expanded range may be available on special order. Please enquire.
- Precision items show an allowable Load Speed Rating in Newtons times RPM.
Product Data
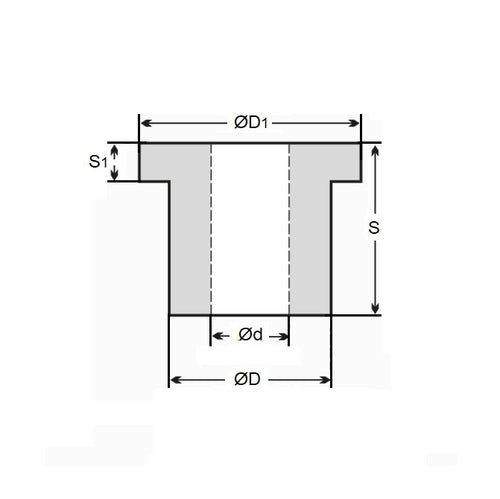
- Nominal Inside Diameter (d)
:
3.969
mm
+ 0.000 / + 0.010
(Equiv. 0.156 in.) - Nominal Outside Diameter (D)
7.938
mm
+ 0.003 / - 0.010
(Equiv. 0.313 in.) - Length (s)
3.175
mm
+ 0 / - 0.127
(Equiv. 0.125 in.) - Flange OD (D1) 9.12 mm
- Flange Thickness (S1) 0.91 mm
- Material Bronze SAE 841 Sintered
Product Compliance and Data
Additional Resources
- DU Bush Material Information
- General Bushes Catalogue
- Sintered Bronze Products Catalogue
- Solid Bronze Bushes catalogue
Cross References
- BF003900790032BSLU
- S99BP4-FB102008
- S99BP4FB102008


