
Miniature Bearings Australia
KF095F-048-TPH - Datasheet
MBA
Category Information
Knobs - Ball - Female Threaded - Phenolic - StandardStandard Phenolic Female Threaded Ball Knobs. Moulded from black or red phenolic resin.
- An expanded range may be available on special order. Please enquire.
- Light Weight.
- Thermal insulating.
- Non corrosive.
Product Data
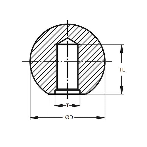
- Thread or Hole Size : 3/8-24 UNF (9.53mm)
- Diameter
47.62
mm
(Equiv. 1.875 in.) - Colour Black
- Mounting Type Threaded - No Insert - Tapped
- Material Phenolic
Product Compliance and Data
Additional Resources
Cross References
- B17
- B-17


