
Miniature Bearings Australia
KM095C-063-7L40-ST - Datasheet
MBA
Category Information
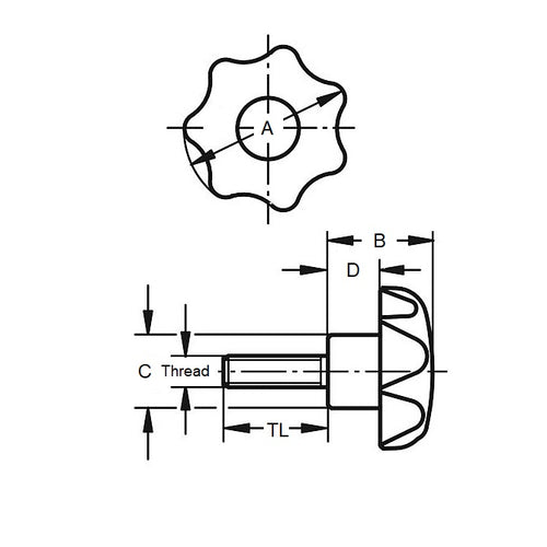
Knobs - Lobe - Seven Lobe - Male - StandardStandard Male Seven Lobe Lobe Knobs. Also see star knobs
- An expanded range may be available on special order. Please enquire.
Product Data
- Thread Size : 3/8-16 UNC (9.53mm)
- Head Diameter (A)
63.00
mm
(Equiv. 2.48 in.) - Thread Length
40.0
mm
(Equiv. 1.575 in.) - Colour Black
- Hub Diameter (C) 25.91 mm
- Hub Length (D) 21.08 mm
- Knob Height (B) 39.88 mm
- Material Plated Steel
Product Compliance and Data
Additional Resources
Cross References
- KaVo KBP-279
- KBP279


