
Miniature Bearings Australia
KF095C-032-TPHS - Datasheet
MBA
Category Information
Knobs - Ball - Female Threaded - Phenolic - Shank TypeShank Type Phenolic Female Threaded Ball Knobs. Moulded from black phenolic resin.
- An expanded range may be available on special order. Please enquire.
- Phenolic Ball Knobs with Shanks. To Screw onto threads.
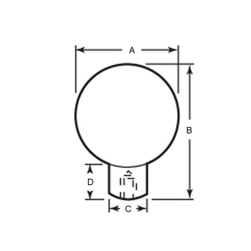
Product Data
- Thread or Hole Size : 3/8-16 UNC (9.53mm)
- Diameter
31.75
mm
(Equiv. 1.25 in.) - Thread Type Tapped
- Shank Height (D) 6.35
- Shank Diameter (C) 13.49 mm
- Height (B) 38.1 mm
- Material Phenolic
Product Compliance and Data
Additional Resources
Cross References
- DK-360
- DK360


