
Miniature Bearings Australia
SC095C-025-C-SK-C-NT - Datasheet
MBA
Category Information
Screws - Cap Tipped - Socket - Alloy Steel - Nylon TipNylon Tip Alloy Steel Socket Cap Tipped Screws. Nylon tipped socket cap screws in alloy steel
- Socketed cap head screws with a soft tip end.
Product Data
Deleted Item. Available while stocks last. Deleted Item. Available while stocks last.
Please contact us first if you wish to use this item in a new design so we can check whether production can be resumed.
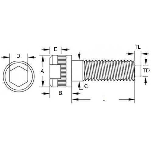
- Thread Size (C) : 3/8-16 UNC (9.53mm)
- Thread Length (L)
25.4
mm
(Equiv. 1 in.) - Tip Diameter
4.80
mm
(Equiv. 0.189 in.) - Tip Length 2.30 mm
- Head Length (B Max.) 9.53 mm
- Head Diameter (A Max.) 14.27 mm
- 9.34 - 9.53
- Material Steel Alloy
Product Compliance and Data
Additional Resources
- Screws & Nuts Catalogue
- Shoulder Screws Catalogue
- Socket Set (Grub) Screws Catalogue
- Thumb Screws & Thumb Nuts Catalogue
- Thread Size Chart - Combined Imperial & Metric
Cross References
- TNT255
- TNT-255


