
Miniature Bearings Australia
PUI032-0254-048-ZB - Datasheet
MBA
Category Information
Pulleys - U Groove Idler - Single Row - SteelSteel Single Row U Groove Idler Pulleys. Steel with Steel Ball Bearings
- Use with round belts such as Round Seamless Urethane or O-Rings
- Also used to run on round shafting or curved tracks
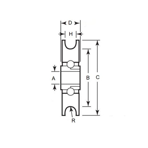
Product Data
- Maximum Cable Diameter (H)
:
3.18
mm
(Equiv. 0.125 in.) - Outside Diameter (OD)
25.40
mm
(Equiv. 1 in.) - Bore (A)
4.763
mm
(Equiv. 0.188 in.) - Body Width 7.94 mm
- Overall Width (OAL) 9.53
- Dia. to Base of Groove (B) 19.05 mm
- Type Unground Open Ball Bearing - Hardened Raceway - Heavy Duty
- Groove Radius (R) 1.57
- Material Steel
Product Compliance and Data
Additional Resources
Cross References
- CBL-920
- CBL920


