
Miniature Bearings Australia
BF0032-0048-0058-BS0609LH - Datasheet
MBA
Category Information
Bushes - Flanged - Bronze - SinteredSintered Bronze Flanged Bushes. Oil impregnated flanged sintered bronze bushes.
- An expanded range may be available on special order. Please enquire.
- Precision items show an allowable Load Speed Rating in Newtons times RPM.
Product Data
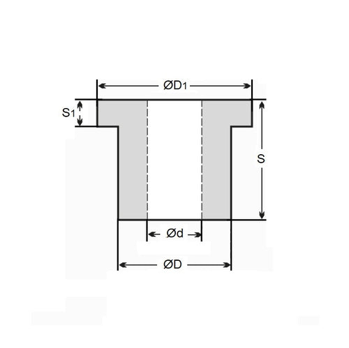
- Nominal Inside Diameter (d)
:
3.175
mm
+ 0.000 / + 0.025
(Equiv. 0.125 in.) - Nominal Outside Diameter (D)
4.763
mm
+ 0.038 / + 0.063
(Equiv. 0.188 in.) - Length (s)
5.791
mm
+ 0 / - 0.305
(Equiv. 0.228 in.) - Flange OD (D1) 6.35 mm
- Flange Thickness (S1) 0.89 mm
- Material Bronze SAE 841 Sintered
Product Compliance and Data
Additional Resources
- DU Bush Material Information
- General Bushes Catalogue
- Sintered Bronze Products Catalogue
- Solid Bronze Bushes catalogue
Cross References
- A7B4-F048
- A7B4F048
- BF003200480058BS
- BF003200480058BSLH


