
Miniature Bearings Australia
PUI006-0420-100-AS440 - Datasheet
MBA
Category Information
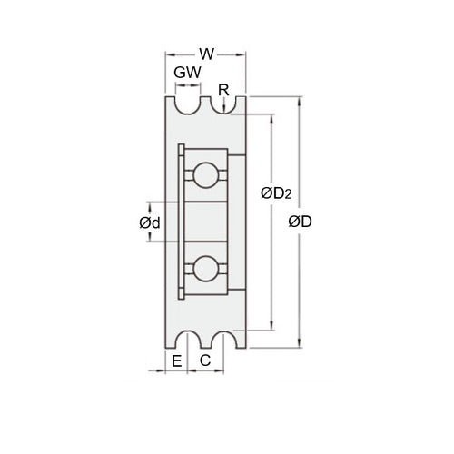
Pulleys - U Groove Idler - Double Row - AluminiumAluminium Double Row U Groove Idler Pulleys. Aluminium with Stainless Ball Bearings
- Use with round belts such as Round Seamless Urethane or O-Rings
- Also used to run on round shafting or curved tracks
Product Data
- Maximum Cable Diameter (H)
:
3.0
mm
(Equiv. 0.118 in.) - Outside Diameter (OD)
42.0
mm
(Equiv. 1.654 in.) - Bore (A)
10.000
mm
(Equiv. 0.394 in.) - Body Width 14.0 mm
- Overall Width (OAL) 14.0
- Dia. to Base of Groove (B) 37 mm
- Centre Spacing 5
- Type Stainless 440 Shielded Precision Ball Bearing
- Groove Radius (R) 1.6
- Material Aluminium Alloy - Clear Anodized
Product Compliance and Data
Additional Resources
Cross References
- MBXAC4016


