
Miniature Bearings Australia
BP0020-0050-0030-BSLL - Datasheet
MBA
Category Information
Bushes - Unflanged - Bronze - SinteredSintered Bronze Unflanged Bushes. Oil impregnated sintered bronze bushes.
- An expanded range may be available on special order. Please enquire.
- Precision items show an allowable Load Speed Rating in Newtons times RPM.
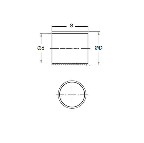
Product Data
- Nominal Inside Diameter (d)
:
2.000
mm
+ 0.000 / + 0.024
(Equiv. 0.079 in.) - Nominal Outside Diameter (D)
5.000
mm
+ 0.019 / + 0.040
(Equiv. 0.197 in.) - Length (s)
3.000
mm
+ 0 / - 0.200
(Equiv. 0.118 in.) - Material Bronze SAE 841 Sintered
Product Compliance and Data
Additional Resources
- DU Bush Material Information
- General Bushes Catalogue
- Sintered Bronze Products Catalogue
- Solid Bronze Bushes catalogue
Cross References
- 6658K62
- Oilube AM-205-3
- BP002000500030BS
- BP002000500030BSL
- AM2053
- A7B4MP020503


